BL8288
Product Manuals
Advantage
- Fully operational to 250V
- 3.3/5/15V input logic compatible
- VCC range from 5.0 to 20V
- 1.5A/1.8A(typ.) current capability
- Deadtime 250ns (typ.)
- UVLO for VCC and VBS
- Tolerant to negative transient voltage
- Matched propagation delay
- TSSOP20, package
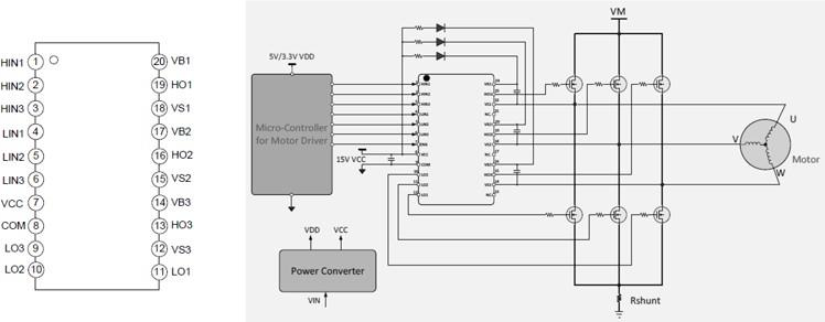
Introduction
The BL8288 is 3 phase high voltage, high speed power MOSFET driver with independent high and low side referenced output channels based on P_SUB P_EPI process. The floating channel can be used to drive an N-channel power MOSFET in the highside configuration which operates up to250V.Logic inputs are compatible withstandard CMOS or LS TTL output, downto 3.3V logic. The BL8288 output drivers feature a high pulse current buffer stage designed for minimum driver cross-conduction. Propagation delays are matched to simplify use in high frequency applications.
Sample Apply
中文
English

