RS485 失效保护
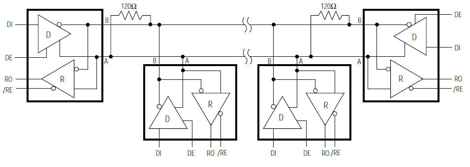
BL3085A(H)是一款半双工的RS-485收发器,芯片内部包含一路驱动器和一路接收器。BL3085A(H)使用限摆率驱动器,能显著减小EMI和由于不恰当的终端匹配电缆所引起的反射,并实现高达250kbps的无差错数据传输。BL3085A(H)内置失效保护电路,保证接收器输入端在开路或短路时,接收器的输出端处于逻辑高电平状态。BL3085A(H)接收器输入阻抗为1/8单位负载,允许多达256个收发器挂接在总线上,实现半双工通信。
- +3.3V或+5V工作电压
- 内置失效保护电路
- 高达250kbps的传输速率
- 总线允许挂接多达256个收发器
- I/O引脚ESD保护:±15kV IEC 61000-4-2,接触放电
- SOP8封装

中文
English
