6V,300mA,高PSRR,DFN1*1-4,带快放电功能
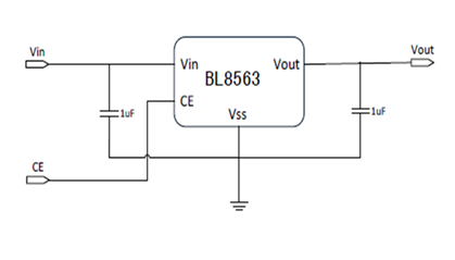
BL8563 series is a group of positive voltage output, low power consumption, low dropout voltage regulator. BL8563 can provide output value in the range of 1.0V~4.5V every 0.1V step. It also can be customized on command. BL8563 can also work under a wide input voltage ranging from 2.0V to 6V. BL8563 includes high accuracy voltage reference, error amplifier, current limit circuit and output driver module. BL8563 has excellent load and line transient response and good temperature characteristics, which can assure the stability of chip and power system. And it uses trimming technique to guarantee output voltage accuracy within ±2%. BL8563 is available in SOT-23-3, SOT-23-5, SC-70-5, DFN1x1-4 and DFN1.2x1.6-4 packages which is lead free.
- Output voltage range: 1.0V~4.5V (customized
- on command every 0.1V step)
- Low power consumption: 35uA (Typ.)
- Low output noise (47uVRMS)
- Shutdown mode: 0.1uA
- Low dropout voltage: 300mV@300mA (Typ.)
- High ripple rejection:70dB@1KHz (Typ.)
- Low temperature coefficient: ±100ppm/C
- Excellent line regulation: 0.05%/V
- Build-in 1.5K discharge resistor when CE low
- Highly accurate: ±2%
- Output current limit
- Fold-back output short circuit protection

中文
English
